
為適應我省成為全國城市綜合管廊建設試點省的新形勢,學習和借鑒國外及國內發達城市的成功經驗,提高我院城市綜合管廊工
程勘察設計水平,為我省綜合管廊建設做好技術支持,我院于近期開展了綜合管廊考察活動。本次考察活動采取個人自愿申報原則,各
部門于10月26日前匯總至總工辦。由院技術委員會通過“評比-篩選-公示-確定”的程序,確定了各組考察人員名單。考察人員分成三
組,分別赴德國、日本、國內一線城市考察當地綜合管廊的建設情況。各考察組將根據組成人員的專業分工,上報考察詳細地點、考
察具體項目、考察目的、考察內容等詳細考察計劃,考察后形成考察報告,在院內對相關專業進行統一的演講介紹。
道路交通分院召開交通工程學專題技術學習交流會
2015年11月9日,道路交通分院召開了由關文英院長主持的“城市交通工程學”專題技術學習交流會,主講人劉松。本次會議為
道路交通分院擬定的9個技術交流會計劃中的首次會議,得到了總工辦領導及其他各分院同事的大力支持,我院總工劉秀麗、高爽及其
他各分院設計代表赴會參加并參與交流。會議以“教學入門”為基礎,“鞏固理論”為輔助,“深入淺出”為導向,就工作中常用的
“交通工程學”等相關知識進行廣泛討論和交流,會議氣氛活躍,反響較為熱烈,取得了道路交通分院技術學習交流會的首個開門紅。
交通工程學是從道路工程學中派生出來的一門較年輕的學科,它把人、車、路、環境及能源等幾個方面作為一個統一體進行研
究,從而達到安全、迅速、經濟、方便、舒適、節能及低公害的目的。目前,交通工程學已經廣泛的應用于我院路網規劃、方案編寫、
可研編制、交評編制及標志和標線設計等工作中。在競爭日趨激烈的今天,設計人員與時俱進,提升設計理念,繼而增強我院的競爭
力更顯得尤為重要。
會議就交通工程學基礎知識 、交通量學及交通設施學三個方面進行學習和討論 。路網規劃、 方案編寫、 可研編制及交評編制的
核心是交通量學,交通量研究按實際運用可分為交通量觀測和交通量預測兩個方面的內容,交通量觀測是可以實際測得的交通量,也就
是現狀交通量,交通量預測是在現狀交通量、預測模型及方法的基礎上得到的未來交通量,對未來路網結構設定、未來交通評價分析有
著極為重要的意義。目前,交通量預測主要方法為“四階段法”,即交通發生與吸引、交通分布、交通方式劃分和交通分配。“四階段
法”適用于區域路網交通量預測,通過空間范圍和時間范圍的關系,劃分交通小區,建立交通網絡模型,對路網交通量進行計算和預測,
進而得到路網內部每一條道路的預測交通量。

我們可研等編制工作中遇到更多的是針對單條道路進行交通量預測,針對這種預測可簡化為基本交通量和增長交通量進行分析研
究,而道路周邊地塊用地性質、大小及開發強度等約束條件則要求我們設計人員要有全面的理論知識和靈活的設計思路。

交通設施學包括信號燈 、交通標志 、交通標線 、護欄 、隔離柵 、照明設備 、視線誘導標 、防眩設施等 。目前我院正在進行
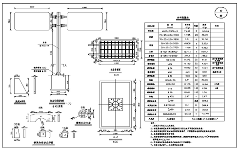
2015年長春市市區標志和標線設計,標志設計包括平面布設設計、版面設計及安裝和基礎設計等,設計完成的交通標志安裝和基礎結
構設計套圖樣式涵蓋了Φ89柱式、Φ299單懸臂式、Φ402雙懸臂式等7種不同樣式,基本滿足了市區內各類型標志的結構安裝,可作
為內部標準圖集使用。

標線的作用是管制和引導交通 ,確保車流分道行駛 ,導流交通行駛方向,加強行駛紀律和秩序,減少事故,既可以告知道路
使用者通行權利,又能明示通行義務。會議上總結了我院已設計完成的100余條道路標線中常見的錯誤和問題,并針對下一步設計
工作提出新的要求和方向。
會后,劉秀麗總工、高爽總工及各院設計代表就工作中的常見的交通問題提出了自己的意見和見解,并與在場人員展開廣泛交
流和討論,一方面總結了以往工作中存在的問題及難點,另一方面也為我院下一步交通工作和方法梳理出新的方向和要求。
(道路交通分院 劉松供稿)
